![]() |
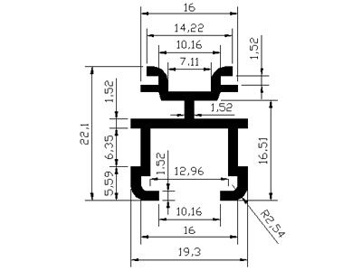
QL-1026
|
本文由QL-1026生产厂家镇江新区强力电子散热器厂于2018-11-12 17:44:52整理发布。上一篇:QL-1025
下一篇:QL-1027
插片散热器采用三路两通开关阀,可使散热器回路中的冷却液通过大循环,或在不需要大量散热的情况下仅通过小循环,
发布时间:2020-11-23电子散热器的冷却水质量应符合规定。循环水的电阻率不应低于2.5ki2,ph值应在6-9之间。进料温度不超过35℃,水量为4-8L/min
发布时间:2020-11-19型材散热器对流散热器采用型材散热器:考虑名称和含义,铜管配铝翼,外侧采用钢板。加热时,热水通过铜管,使铝翅片发热散热,使空间通过对流在室内散热
发布时间:2020-11-17